全部商品
全部商品
我的商品
批量下单

SMC VQD1000系列4通电磁阀 直动式座阀 VQD1121U-5MO-M5 1个

价格375.00 /除新疆、西藏外含税含运费
未税价格331.86(税率:13%)
配送至
|包邮(顺丰/京东快递)...查看
浙江绍兴仓发货,下午4点前下单,两个工作日发货。
型号
  • VQ5151-5H1-04
  • VQD1121U-5MO-M5
  • VQ4151-5H1
  • VQ5251-5H1
  • VQ7-8-FG-S-3Z
  • VQ4251-5H1
-
+
其他型号 6 个型号 | 如需查看具体型号的属性差异,请点击商品名称进行查阅。
  • 商品名称
  • 型号
  • 价格
  • 库存
  • 选购数量
点击查看全部
0|0.00
规格参数
商品介绍
服务保障
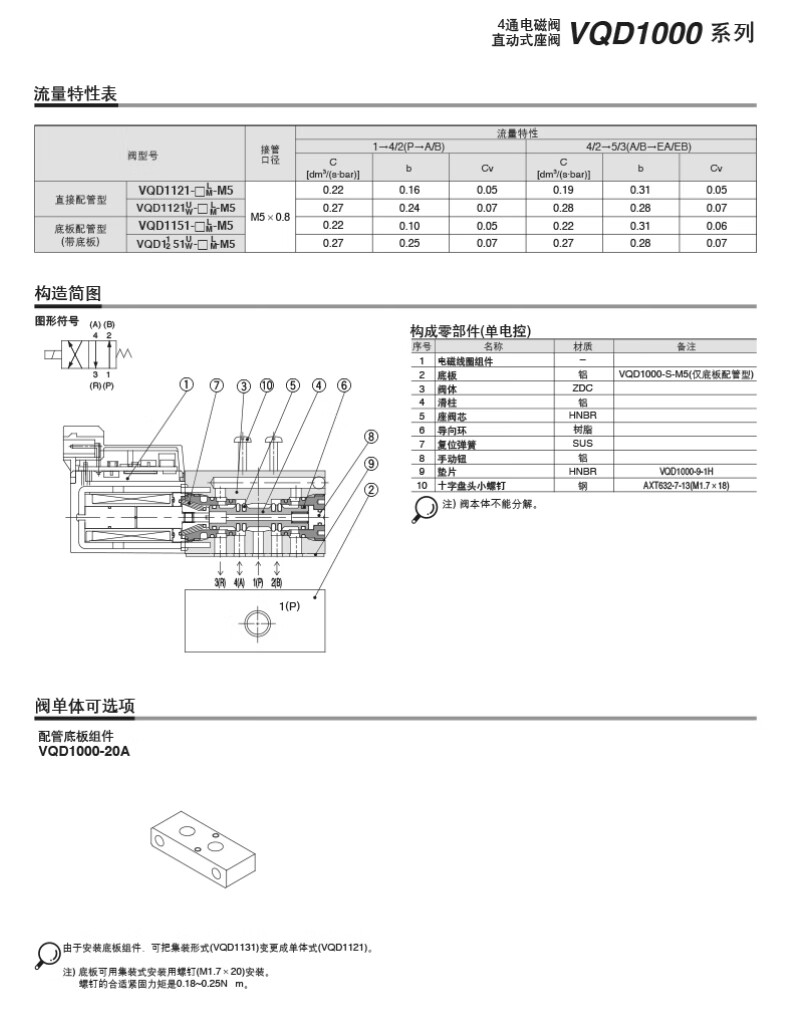
  • 品牌:SMC
  • 订货编码:100210317
  • 商品名称:SMC VQD1000系列4通电磁阀 直动式座阀
  • 包装规格:暂无
  • 最小包装量:1个
  • 型号VQD1121U-5MO-M5
  • 额定压力0-1Mpa(含)
  • 类别其他
  • 接管口径1/2寸以下
  • 功能控制元件
售后保障
正品保证
工品牛向您保证所售商品均为正品行货,开具正规发票。
注:因厂家偶尔存在不提前通知的情况下更改产品包装、附件或产地行为,工品牛不确保客户收到的货物与本网站的图片、产地、附件说明完全一致。只能确保为正品行货!并且保证与当时市场上同品牌同型号的主流产品一致。若本网站没有及时更新,敬请谅解!
退退换货服务
售后保障
您购买的产品在使用过程中如因产品质量问题有“退换返修”的需求,您可通过工品牛客户端提交您的售后申请,工品牛客服会第一时间为您处理,在售后服务过程中如遇到问题也可致电18051117159
1、工品牛退货政策
2、售后上门取件
您购买的商品7日内(含7日,自物流系统反馈签收之日起计算)因质量问题(非人为使用损坏)提交退换申请且审核通过,工品牛可提供免费上门取件服务。非质量问题的上门取件需要收费。法定节假日、停电、天气等不可抗力情况除外。
3、质量故障处理的时效保障
您购买的商品在质保期内如出现故障,工品牛售后服务部收到故障品并确认属于质量故障(以国家三包法等有关法律、法规为准)开始计时。在24小时内给出售后问题的处理方案。
价格说明:

工牛价:是指普通会员最终购买商品的价格。

会员价或折扣价:是指与工品牛签署有效合同、对商品价格有特别约定的企业用户所享受的合同价格,可享的专属审批折扣价。

注①:企业用户同时满足协议价和会员价时,优先享受协议价。

注②:划线价格不代表商品原价

权利声明:

工品牛上的所有商品信息(包括但不限于商品图片、商品介绍、产品视频及文档)、产品咨询信息,是工品牛重要的经营资源,未经许可,禁止非法转载及使用。